株式会社松沢商会
MATSUZAWA CO.,LTD.
検索
会社案内
PROFILE
取扱商品
PRODUCTS
拠点案内
OFFICE
お問い合わせ
CONTACT
ご購入・お見積もりのお問い合わせ
そのほかのお問い合わせ
新製品情報
NEW PRODUCTS
特販商品情報
SPECIAL
カテゴリ
新商品
アオリ部品
掛金
掛金ハンドル・コの字
ロープ通し
エビ金具・エビ金受
中柱ハンドル・その他
ブロックアオリ蝶番
平蝶番・ダンプ蝶番
長蝶番・ピンボルト
荷台部品
荷台ロープフック
埋込ロープフック
引き出しロープフック
トレーラーフック
ワイヤー掛け
鋼材柱(スタンション受) 他
柱ガセット
荷台下廻部品
スベリ止・根太結合材
Uボルト・Uボルト座金
シャシスペーサー
泥除ブラケット
スペアタイヤキャリア
チェーン掛け
サイドバンパー&関連部品
サイドバンパーステー
マフラーパイプ
扉部品
観音蝶番
棒ハンドル
オープンストッパー
ガススプリング
ドア材、ガスケットその他
工具箱・ステー・物入れ
ステンレス製工具箱
FRP製工具箱
樹脂製工具箱
鉄製工具箱
工具箱ステー
鳥居物入れ・りん木入れ
フェンダー
角フェンダー
ハ型フェンダー(スプラッシュガード)
ゴム部品
アタリ(煽り)ゴム
水抜ホース関連・他
泥除ゴム
パッキンゴム
アオリ補助装置
セイコーラック
アオリバランサー
アオリ補助装置その他
燃料タンク
YST 燃料タンク
東ラジ 燃料タンク
大丸鐵興 燃料タンク
日軽 アルミ燃料タンク
ガッポ 燃料タンク
ユニットゲージ
コネクターコック・他
タンクキャップ
燃料ホース
ダンプ部品
自動シート
ダンプアオリ金具
艤装部品
輪止め・台座格納ボックス
キャッチ・錠前・トッテ 他
スコップ掛
コイルスプリング・メタル
表示板
ナンバー枠・取付ステー
ラッシング関連
ジョロダ ・レール
電動ウインチ
パワーブリッジ・導風板
電装部品
マーカーランプ
マーカーランプステー
車高灯・サイドランプ
ナンバーランプ・看板灯
作業灯・バックランプ
庫内灯
路肩灯
テールランプ (小糸)
テールランプ (JB)
テールランプ その他
スイッチ・ブザー
配線コード
ヒューズ
配線結束部品
ターミナル端子・その他
床材・根太材
床材
横根太
床下防水シート
アルミブロック・型材
日軽アルミブロック 標準
日軽アルミブロック 薄型
日軽アルミブロック 薄型嵌合
日軽アルミブロック 部品
三菱アルミブロック
UACJアルミブロック
アルミ根太材
ジョイナー その他型材
内装材・外装材
ベニヤ・合板
コルゲートパネル
アルポリック
材料・素材
ステンレス鋼板
平板・縞板
ステンレス丸パイプ
ステンレス角パイプ
ステンレスアングル
ステンレスフラットバー
ステンレス丸棒
パンチングメタル 他
鋼材その他
合木
断熱材
ねじ・リベット
根太ボルト・根角ボルト
タッピング・ねじ
リベット
カーゴロック・内装ビス
ビスライダー
接着剤・シーラー・テープ
接着剤
シーラー剤
両面テープ
その他シーラー、接着剤
発泡ウレタン
作業用消耗品
反射板・足掛け・保安用品
後部反射器・リフレクター
昇降ステップ
消火器、保安用品
その他 商品
特別販売商品
画像をクリックで拡大
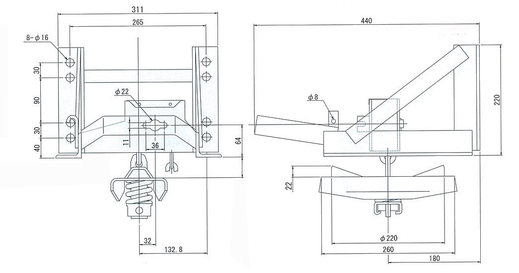
タイヤキャリア PLB-4901 大型車 サイド吊り (ハブ径221)
0208-02005000
add fav
材質:鉄製 サイド吊り
大型ロングチェーン仕様 適用タイヤハブ径φ221
重量:11.5kg
最大吊タイヤ質量/150kg
口金形状/U溝型
分類
スペアタイヤキャリア